Sonstige Leistungen
Neben unserem Schwerpunkt - der Inbetriebsetzung von Nieder- und Hochspannungsanlagen - bieten wir im Bereich des Service folgende Leistungen an:
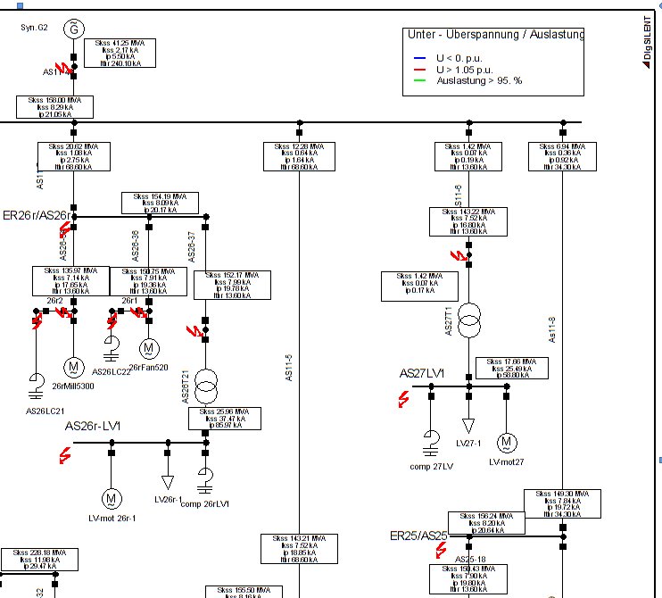
Abbildung Ihrer Versorgungsstrukturen und Analyse der Lastflüsse und der Verhältnisse im Kurzschlussfall.
Wir unterstützen Sie bei der Projektierung Ihrer Einrichtungen. Manche Versorgung passt nicht mehr, weil mehr Energie gebraucht wird... oder vielleicht auch weniger.
Vermeiden Sie teure Überkapazitäten oder die Überlastung Ihrer Betriebsmittel, indem Sie Ihr Versorgungsnetz berechnen lassen.
Schon die Analyse des Lastflusses in Ihren Anlagen ist mit kleinem Aufwand möglich und zeigt schnell,wo eventuell Schwachstellen zu erwarten sind.
Eine Kurzschlussstromberechnung gibt Hinweise auf nötige Änderungen Ihrer Schutzeinstellungen - bevor Sie im Dunkeln stehen, weil eine Schutzeinrichtung "überempfindlich" war.
Prüfen Ihrer Erdungsanlage
Festigkeitsberechnungen zur Beurteilung des Tragvermögens zur Projektierung Ihrer Anlage.
Außer der Beratung bei der Schutzanwendung und einem Vorrat an gebrauchten Schutzgeräten, mit denen sich dringende Probleme zeitlich überbrücken lassen, bieten wir Ihnen auch die vollständige Auswahl an Neugeräten aus der Siprotec-Familie an.
Auf Wunsch werden die Geräte bereits komplett voreingerichtet auf Ihre Betriebserfordernisse - geprüft und mit individuellem Prüfprotokoll geliefert.
Haben Sie Fragen zu den beschriebenen oder weiteren Leistungen? Senden Sie eine Nachricht oder rufen Sie unter +49 173 - 522 1934 an.
